Универсальный сильфонный компенсатор предназначен для компенсации осевых, сдвиговых, угловых, перемещений в одной или нескольких плоскостях. Устранения вибрации с трубопроводов и установленного на них оборудования. Состоят из одного или двух сильфонов, выполненных из многослойной нержавеющей стали и присоединительной арматуры. Устройство может иметь внутренний экран, защитный кожух, ограничители хода, сдвиговое и поворотное устройство.
КОНСТРУКЦИЯ И ОСНОВНЫЕ ХАРАКТЕРИСТИКИ КОМПЕНСАТОРОВ
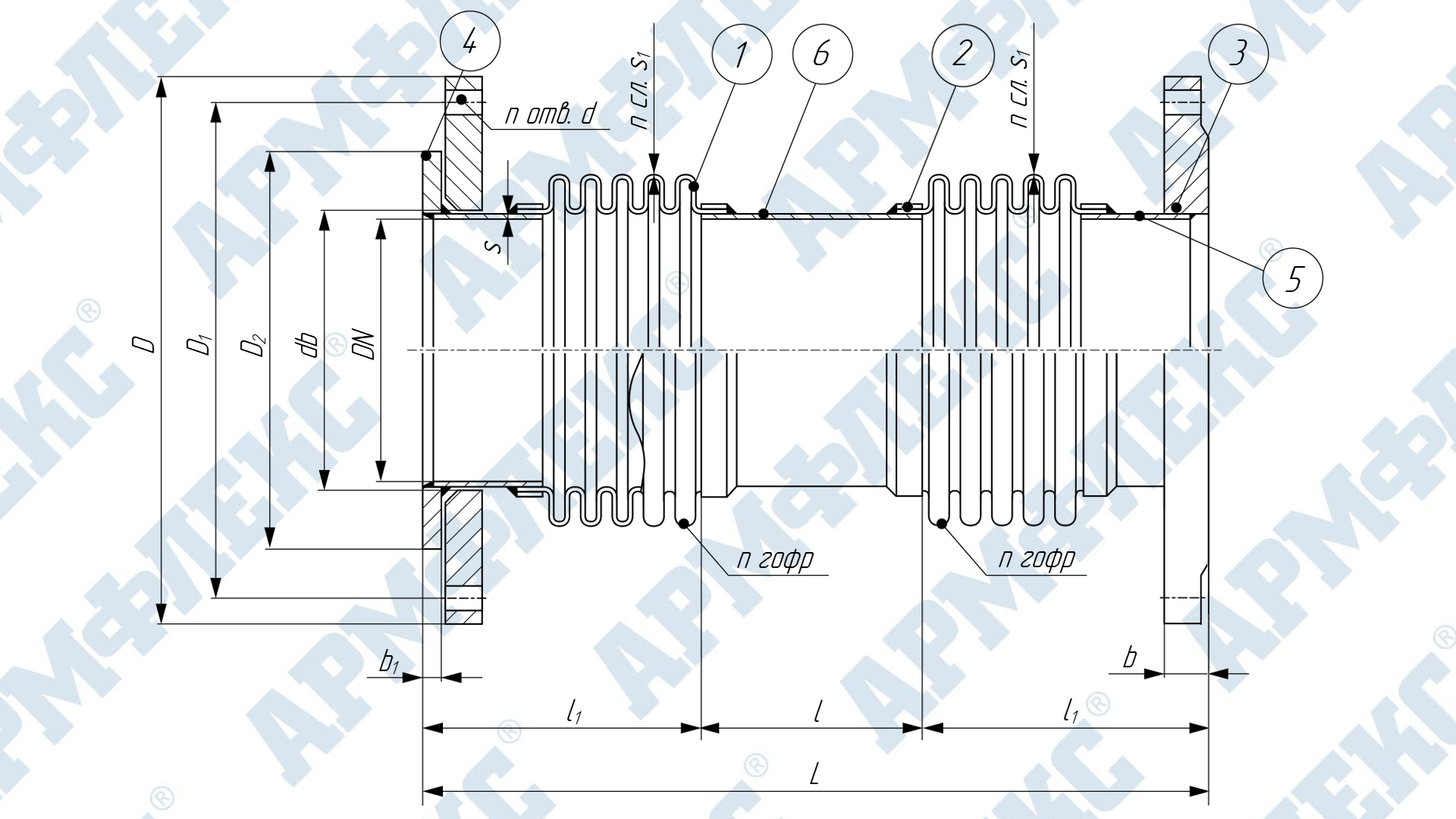
ДВУХСЕКЦИОННЫХ СИЛЬФОННЫХ УНИВЕРСАЛЬНЫХ ПОД ПРИВАРКУ 2КСУ ARM П
Большой выбор материалов присоединительной
арматуры: Ст. 20, СтЗсп, 09Г2С, ОЗХ17Н14МЗ,
O3Х18Н11, 08Х16Н11МЗ, 08Х17Н1ЗМ2, 08Х17Н13М2Т,
08Х18Н10, 08Х18Н10Т, 10Х23Н18, 20Х23Н1З, 20Х23Н18
Возможно исполнение присоединительной арматуры
с комбинированным способом присоединения
рабочих циклов
до 40 кг/см2
до 2400 мм
до +950°С
по запросу клиента
на складе
кожухом, внутренним экраном, ограничительной,
направляющей арматурой с компенсацией перемещений
в одной или нескольких плоскостях
газ, нефтепродукты
и другие среды, неагрессивные
к материалу изделия
действующим требованиям, установленным национальными
и межгосударственными стандартами, имеет необходимый пакет документов
Многослойный сильфон изготовлен в соответствии с ГОСТ 32935-2014
Односекционное или двухсекционное исполнение
Большой выбор материалов сильфона: 08Х18Н10, 08Х18Н10Т,
08Х17Н13M2, 20Х23Н13, 20Х23Н18
Многослойный сильфон выполнен
из качественной нержавеющей стали
Антикоррозийное лакокрасочное
покрытие
- компенсация осевого, сдвигового
и углового перемещений - снятие вибрационных нагрузок
- различные трубопроводы, газоходы
- двигатели, компрессоры, насосы, другое
промышленное оборудование
Изготовим в кратчайшие сроки, рассчитаем и подберем сильфонные компенсаторы по техническим характеристикам заказчика. Заявку на изготовление продукции Вы можете отправить по почте pro@armfleks.ru, а также заполнить опросный лист на сайте.
Наличие продукции на складе, сроки изготовления и
цену оборудования просим уточнять в отделе продаж нашей компании по телефону:
8 (800) 775-77-08 Звонок по России бесплатный
+7 (495) 723-73-31 Звонки из России и заграницы
+7 (916) 722-02-71 Мобильная связь
Наша компания осуществляет отгрузку и доставку продукции по всей территории России и ЕАС. Получить дополнительную информацию о сроках и стоимости поставки продукции, согласовать доставку груза до Вашего адреса Вы сможете, обратившись в отдел логистики нашей компании.
КОНСТРУКЦИОННОЕ ИСПОЛНЕНИЕ СИЛЬФОННЫХ УНИВЕРСАЛЬНЫХ КОМПЕНСАТОРОВ КСУ ARM
Варианты исполнений: одно и двухсекционные, с внутренним экраном, защитным кожухом
DN от 20
до 2400 мм
PN от вакуума
до 40 кг/см2
Варианты исполнений: одно и двухсекционные, исполнение уплотнительной поверхности фланца: А - плоскость, B - соединительный выступ, С, L - шип, D, M - паз, Е - выступ, F - впадина, с защитным кожухом, футеровкой РТFЕ, внутренним экраном
DN от 25
до 2400 мм
PN от вакуума
до 25 кг/см2
Варианты исполнений: одно и двухсекционные, исполнение уплотнительной поверхности фланца: А - плоскость, B - соединительный выступ, С, L - шип, D, M - паз, Е - выступ, F - впадина, с защитным кожухом, футеровкой РТFЕ, внутренним экраном
DN от 25
до 2400 мм
PN от вакуума
до 40 кг/см2
Варианты исполнений: одно и двухсекционные, с защитным кожухом, футеровкой PTFE, внутренним экраном
DN от 25
до 600 мм
PN от вакуума
до 25 кг/см2
Варианты исполнений: одно и двухсекционные, исполнение уплотнительной поверхности: А - плоскость, В - соединительный выступ, С, L - шип, D, М - паз, Е - выступ, F - впадина, с защитным кожухом, футеровкой РТFЕ , внутренним экраном
DN от 25
до 2400 мм
PN от вакуума
до 40 кг/см2
Варианты исполнений: одно и двухсекционные, с поворотными/ приварными фланцами, ограничительной арматурой, защитным кожухом
DN от 25
до 2400 мм
PN от вакуума
до 40 кг/см2
Варианты исполнений: исполнений: с ограничительной арматурой, защитным кожухом, внутренним экраном
DN от 20
до 2400 мм
PN от вакуума
до 40 кг/см2
Варианты исполнений: с поворотными/ приварными фланцами, ограничительной арматурой, защитным кожухом, внутренним экраном
DN от 25
до 2400 мм
PN от вакуума
до 40 кг/см2
Варианты исполнений: исполнений: одно и двухсекционные, с защитным кожухом, внутренним экраном
DN от 20
до 2400 мм
PN от вакуума
до 40 кг/см2
Варианты исполнений: с поворотными/ приварными фланцами, с защитным кожухом, внутренним экраном, футеровкой РТFЕ
DN от 25
до 2400 мм
PN от вакуума
до 40 кг/см2
Варианты исполнений: исполнений: с защитным кожухом, внутренним экраном
DN от 20
до 2400 мм
PN от вакуума
до 40 кг/см2
Варианты исполнений: с защитным кожухом, внутренним экраном, футеровкой РТFЕ
DN от 25
до 2400 мм
PN от вакуума
до 40 кг/см2
Варианты исполнений: с внутренним экраном
DN от 20
до 2400 мм
PN от вакуума
до 40 кг/см2
Варианты исполнений: с внутренним экраном, футеровкой РТFЕ
DN от 25
до 2400 мм
PN от вакуума
до 40 кг/см2
Варианты исполнений: одно и двухсекционные, с внутренним экраном, с ограничительной арматурой
DN от 20
до 2400 мм
PN от вакуума
до 40 кг/см2
Варианты исполнений: одно и двухсекционные, фланцы приварные, поворотные (свободные), с внутренним экраном, ограничительной арматурой, футеровкой РТFЕ
DN от 25
до 2400 мм
PN от вакуума
до 40 кг/см2
КОМПЕНСАТОРЫ СИЛЬФОННЫЕ УНИВЕРСАЛЬНЫЕ С ПАТРУБКАМИ ПОД ПРИВАРКУ 2КСУ ARM П СТАНДАРТНОГО ИСПОЛНЕНИЯ
|
Номинальный |
Номинальное |
Длина |
Осевой |
Ход |
Угол |
Размеры, мм |
Осевая |
Жёсткость |
Угловая |
Эффективная |
Вес |
||
|---|---|---|---|---|---|---|---|---|---|---|---|---|---|
|
DN, мм |
PN, кг/см2 |
L, мм |
Δ, ±λ, мм |
±, мм |
±, гр. |
D |
s |
Отклонение |
Со, H/мм |
Cс, H/мм |
Сg Hм/гр. |
S, мм2 |
~кг |
|
50 |
10, 16 |
420 |
90 (+45;-45) |
22,5 |
7,5 |
57/60,3 |
3,5 |
±0,5 |
105 |
3,6 |
0,7 |
3504 |
2,0 |
|
65 |
10, 16 |
420 |
90 (+45;-45) |
22,5 |
7,5 |
76 |
4 |
±0,5 |
135 |
7,7 |
1,45 |
5781 |
3,1 |
|
80 |
10, 16 |
450 |
90 (+45;-45) |
22,5 |
7,5 |
89 |
4 |
±0,5 |
219 |
18 |
3,2 |
7853 |
3,5 |
|
100 |
10, 16 |
480 |
120 (+60;-60) |
22,5 |
7,5 |
108/114 |
4 |
±0,5 |
201 |
20,2 |
4,2 |
11309 |
5,8 |
|
125 |
10, 16 |
490 |
120 (+60;-60) |
22,5 |
7,5 |
133/140 |
4 |
±0,5 |
195 |
26,6 |
6 |
16741 |
7,5 |
|
150 |
10, 16 |
510 |
120 (+60;-60) |
22,5 |
7,5 |
159/168 |
4,5 |
±0,5 |
360 |
52,2 |
15,9 |
23696 |
9,4 |
|
200 |
10, 16 |
550 |
120 (+60;-60) |
15 |
5 |
219 |
6 |
±0,5 |
682 |
163 |
55 |
43966 |
14,5 |
|
250 |
10, 16 |
550 |
150 (+75;-75) |
15 |
5 |
273 |
7 |
±0,5 |
720 |
258 |
91 |
68210 |
18,9 |
|
300 |
10, 16 |
550 |
150 (+75;-75) |
10 |
3,5 |
325 |
7 |
±0,5 |
724 |
363 |
128 |
98422 |
20,8 |
|
350 |
10, 16 |
550 |
150 (+75;-75) |
10 |
3,5 |
377 |
7,5 |
±0,5 |
754 |
488 |
163 |
116415 |
23,0 |
|
400 |
10, 16 |
550 |
180 (+90;-90) |
7,5 |
2,5 |
426 |
7,5 |
±0,5 |
900 |
875 |
272 |
162597 |
29,5 |
|
500 |
10, 16 |
590 |
180 (+90;-90) |
7,5 |
2,5 |
530 |
8 |
±0,5 |
1060 |
1808 |
484 |
245422 |
47,3 |
|
от 600-2400 компенсаторы по запросу. |
|||||||||||||
|
Детальную спецификацию продукции Вы можете запросить у наших специалистов. |
|||||||||||||
|
Изготовление продукции по чертежам и с техническими характеристиками заказчика. |
|||||||||||||
ТЕХНИЧЕСКИЕ ХАРАКТЕРИСТИКИ И МАТЕРИАЛЫ СИЛЬФОННЫХ УНИВЕРСАЛЬНЫХ КОМПЕНСАТОРОВ ПОД ПРИВАРКУ КСУ ARM Ф
СТАНДАРТНОЕ ИСПОЛНЕНИЕ
Технические характеристики
химические и криогенные среды
Материалы
Под номинальным давлением (PN) следует понимать наибольшее избыточное давление при температуре среды 293 К (20°С), при котором допустима длительная работа арматуры и деталей трубопровода, имеющих заданные размеры, обоснованные расчетом на прочность при выбранных материалах и характеристиках их прочности, соответствующих температуре 293 К (20°С).
Выбор материалов изделия устанавливается соответствующими стандартами и нормативно-технической документацией в зависимости от назначения, параметров (температуры, давления) и условного прохода.
Номинальное, рабочее и пробное давление рассчитывается в зависимости от сложности конструкции компенсатора, его технических характеристик, условий эксплуатации, в соответствии с ТУ 3695-001-63575782-2015, нормативно-технической документацией, ГОСТ 356-80 «Арматура и детали трубопроводов. Давления условные, пробные и рабочие. Ряды», ГОСТ 33257-2015 «Арматура трубопроводная. Методы контроля и испытаний», ГОСТ 32935-2014 «Компенсаторы сильфонные металлические для тепловых сетей. Общие технические условия»
СПЕЦИАЛЬНОЕ ИСПОЛНЕНИЕ
Технические характеристики
химические и криогенные среды
Материалы
и ограничительной арматуры
антикоррозийное цинковое покрытие (углеродистая сталь)
Под номинальным давлением (PN) следует понимать наибольшее избыточное давление при температуре среды 293 К (20°С), при котором допустима длительная работа арматуры и деталей трубопровода, имеющих заданные размеры, обоснованные расчетом на прочность при выбранных материалах и характеристиках их прочности, соответствующих температуре 293 К (20°С).
Выбор материалов изделия устанавливается соответствующими стандартами и нормативно-технической документацией в зависимости от назначения, параметров (температуры, давления) и условного прохода.
Номинальное, рабочее и пробное давление рассчитывается в зависимости от сложности конструкции компенсатора, его технических характеристик, условий эксплуатации, в соответствии с ТУ 3695-001-63575782-2015, нормативно-технической документацией, ГОСТ 356-80 «Арматура и детали трубопроводов. Давления условные, пробные и рабочие. Ряды», ГОСТ 33257-2015 «Арматура трубопроводная. Методы контроля и испытаний», ГОСТ 32935-2014 «Компенсаторы сильфонные металлические для тепловых сетей. Общие технические условия»
КОМПЕНСАТОРЫ СИЛЬФОННЫЕ УНИВЕРСАЛЬНЫЕ ФЛАНЦЕВЫЕ 2КСУ ARM Ф СТАНДАРТНОГО ИСПОЛНЕНИЯ
|
Номинальный |
Номинальное |
Длина |
Осевой |
Ход |
Угол |
Размеры, мм |
Осевая |
Жёсткость |
Угловая |
Эффективная |
Вес |
|||||
|---|---|---|---|---|---|---|---|---|---|---|---|---|---|---|---|---|
|
DN, мм |
PN, кг/см2 |
L, мм |
Δ, ±λ, мм |
±, мм |
±, гр. |
D |
D1 |
D2 |
b |
h |
n отв.d |
Со, H/мм |
Cс, H/мм |
Сg Hм/гр. |
S, мм2 |
~кг |
|
50 |
16 |
340 |
90 (+45;-45) |
22,5 |
7,5 |
160/165 |
125 |
102 |
22/20 |
3 |
4х18 |
39 |
7,8 |
0,8 |
3400 |
6 |
|
65 |
16 |
340 |
90 (+45;-45) |
22,5 |
7,5 |
180/185 |
145 |
122 |
24/20 |
3 |
4х18 |
40 |
5,6 |
1 |
5000 |
8 |
|
80 |
16 |
370 |
90 (+45;-45) |
22,5 |
7,5 |
195/200 |
160 |
133 |
24/20 |
3 |
4/8х18 |
47 |
15,6 |
2 |
7500 |
10 |
|
100 |
16 |
390 |
120 (+60;-60) |
22,5 |
7,5 |
215/220 |
180 |
158 |
26/22 |
3 |
8х18 |
49 |
26,4 |
2,5 |
11100 |
12 |
|
125 |
16 |
415 |
120 (+60;-60) |
22,5 |
7,5 |
245/250 |
210 |
184 |
28/22 |
3 |
8х18 |
75 |
25,2 |
5 |
15900 |
16 |
|
150 |
16 |
430 |
120 (+60;-60) |
22,5 |
7,5 |
280/285 |
240 |
212 |
28/24 |
3 |
8х22 |
95 |
38,1 |
9 |
23600 |
21 |
|
200 |
16 |
430 |
120 (+60;-60) |
15 |
5 |
335/340 |
295 |
268 |
30/26 |
3 |
12х22 |
105 |
106 |
13 |
41900 |
32 |
|
250 |
16 |
430 |
150 (+75;-75) |
15 |
5 |
405 |
355 |
320 |
31/29 |
3 |
12х26 |
130 |
112,1 |
24 |
61600 |
43 |
|
300 |
16 |
430 |
150 (+75;-75) |
10 |
3,5 |
460 |
410 |
370 |
32 |
4 |
12х26 |
175 |
141,8 |
72 |
98300 |
51 |
|
350 |
16 |
440 |
150 (+75;-75) |
10 |
3,5 |
520 |
470 |
430 |
34/35 |
4 |
16х26 |
193 |
149,9 |
87 |
117000 |
62 |
|
400 |
16 |
460 |
180 (+90;-90) |
7,5 |
2,5 |
580 |
525 |
482 |
38 |
4 |
16х30 |
218 |
204,8 |
116 |
149900 |
83 |
|
500 |
16 |
490 |
180 (+90;-90) |
7,5 |
2,5 |
710/715 |
650 |
585 |
48/46 |
4 |
20х33 |
269 |
373,4 |
183 |
227300 |
130 |
|
от 600-2400 компенсаторы по запросу |
||||||||||||||||
|
Детальную спецификацию продукции Вы можете запросить у наших специалистов |
||||||||||||||||
|
Изготовление продукции по чертежам и с техническими характеристиками заказчика. |
||||||||||||||||
ТЕХНИЧЕСКИЕ ХАРАКТЕРИСТИКИ И МАТЕРИАЛЫ СИЛЬФОННЫХ УНИВЕРСАЛЬНЫХ ФЛАНЦЕВЫХ КОМПЕНСАТОРОВ КСУ ARM Ф
СТАНДАРТНОЕ ИСПОЛНЕНИЕ
Технические характеристики
химические и криогенные среды
Материалы
Под номинальным давлением (PN) следует понимать наибольшее избыточное давление при температуре среды 293 К (20°С), при котором допустима длительная работа арматуры и деталей трубопровода, имеющих заданные размеры, обоснованные расчетом на прочность при выбранных материалах и характеристиках их прочности, соответствующих температуре 293 К (20°С).
Выбор материалов изделия устанавливается соответствующими стандартами и нормативно-технической документацией в зависимости от назначения, параметров (температуры, давления) и условного прохода.
Номинальное, рабочее и пробное давление рассчитывается в зависимости от сложности конструкции компенсатора, его технических характеристик, условий эксплуатации, в соответствии с ТУ 3695-001-63575782-2015, нормативно-технической документацией, ГОСТ 356-80 «Арматура и детали трубопроводов. Давления условные, пробные и рабочие. Ряды», ГОСТ 33257-2015 «Арматура трубопроводная. Методы контроля и испытаний», ГОСТ 32935-2014 «Компенсаторы сильфонные металлические для тепловых сетей. Общие технические условия»
СПЕЦИАЛЬНОЕ ИСПОЛНЕНИЕ
Технические характеристики
химические и криогенные среды
Материалы
и ограничительной арматуры
антикоррозийное цинковое покрытие (углеродистая сталь)
Под номинальным давлением (PN) следует понимать наибольшее избыточное давление при температуре среды 293 К (20°С), при котором допустима длительная работа арматуры и деталей трубопровода, имеющих заданные размеры, обоснованные расчетом на прочность при выбранных материалах и характеристиках их прочности, соответствующих температуре 293 К (20°С).
Выбор материалов изделия устанавливается соответствующими стандартами и нормативно-технической документацией в зависимости от назначения, параметров (температуры, давления) и условного прохода.
Номинальное, рабочее и пробное давление рассчитывается в зависимости от сложности конструкции компенсатора, его технических характеристик, условий эксплуатации, в соответствии с ТУ 3695-001-63575782-2015, нормативно-технической документацией, ГОСТ 356-80 «Арматура и детали трубопроводов. Давления условные, пробные и рабочие. Ряды», ГОСТ 33257-2015 «Арматура трубопроводная. Методы контроля и испытаний», ГОСТ 32935-2014 «Компенсаторы сильфонные металлические для тепловых сетей. Общие технические условия»
ОБЛАСТЬ ПРИМЕНЕНИЯ УНИВЕРСАЛЬНЫХ СИЛЬФОННЫХ КОМПЕНСАТОРОВ КСУ ARM
Основным отличием универсальных компенсаторов от других типов сильфонных компенсаторов является, возможность компенсации нескольких видов перемещений: осевого (растяжение или сжатие), сдвигового (сдвиг относительно оси), углового (поворот относительно оси). Данная особенность позволяет использовать устройство для устранения (компенсации) нескольких видов перемещений одновременно. А также для уменьшения и снятия вибрационных нагрузок с трубопроводов и оборудования.
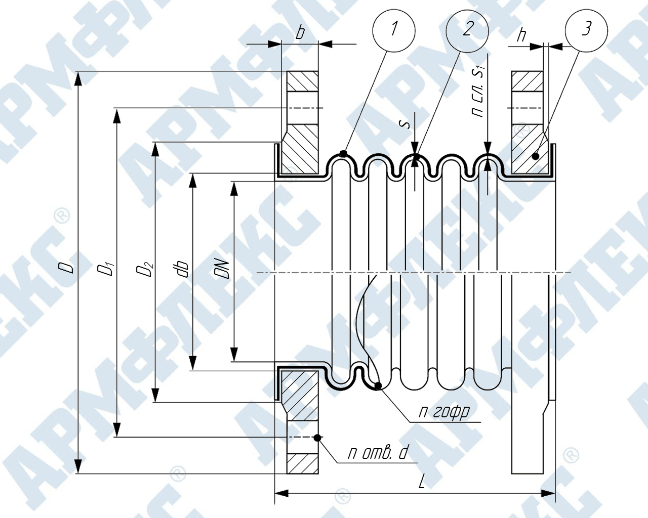
В зависимости от исполнения, сильфонный универсальный компенсатор может состоять из одной или двух секций, с одним (односекционные) или двумя (двухсекционные) сильфонами. Гибкая часть изделия изготавливается из многослойной нержавеющей стали. Устройство производится с различной присоединительной арматурой: патрубки под приварку, неподвижные или поворотные фланцы. Присоединительная арматура универсального компенсатора выполняется из различных видов углеродистой или нержавеющей стали, в зависимости от характеристик рабочей среды и условий применения продукции. Компенсаторы сильфонные универсальные могут комплектоваться: защитным кожухом, внутренним экраном, ограничителями хода (шпильками), поворотным или карданным устройством.
Предлагаем изготовление и поставку данного изделия, различных типов и исполнения. Производство продукции по чертежам и техническим характеристикам заказчика.
Интеллектуальная собственность, копирование запрещено











































